電鑄法鑽石與氮化硼砂輪
宏崴實業可提供客製化服務,
為您製作最適合的電鑄法鑽石與CBN砂輪
下表所列出之 電鑄砂輪 為我們的標準庫存
| 11C9 | 適合鎢鋼工具之研磨,成型用 | ||||||
|---|---|---|---|---|---|---|---|
![]() |
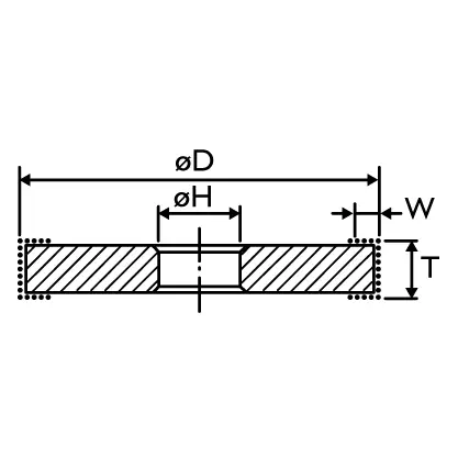
編號 | D | T | W | H | U | 粒度 |
| WC-1005A | 100 | 22 | 10 | 20 | 5 | #100* | |
| WC-1005B | 100 | 35 | 10 | 20 | 5 | #100* | |
| WC-1005C | 100 | 35 | 10 | 19.05 | 5 | #100* | |
| WC-1605A | 100 | 35 | 16 | 20 | 5 | #100* | |
| WC-2005A | 100 | 35 | 20 | 20 | 5 | #100* | |
| 1A1U | 適合鎢鋼刀具之研磨,成型用 | |||||
|---|---|---|---|---|---|---|
![]() |
編號 | D | T | W | H | 粒度 |
| WS-6105A | 150 | 10 | 5 | 31.75 | #200* | |
| WS-6105B | 150 | 10 | 5 | 12.70 | #200* | |
| WS-6105C | 150 | 10 | 5 | 15.88 | #200* | |
| 14Y1 | 適合鎢鋼刀具之研磨,成型用 | |||||||
|---|---|---|---|---|---|---|---|---|
![]() |
編號 | D | U | T | W | H | V | 粒度 |
| WV-6645A | 150 | 6 | 10 | 5 | 12.70 | 45 | #200* | |
| WV-6645B | 150 | 6 | 10 | 5 | 15.88 | 45 | #200* | |
| WV-6660A | 150 | 6 | 10 | 5 | 12.70 | 60 | #200* | |
| WV-6660B | 150 | 6 | 10 | 5 | 15.88 | 60 | #200* | |
| 14A1,14A1U | 適合寶石、半寶石、石材研磨,成型用 | |||||
|---|---|---|---|---|---|---|
![]() |
編號 | D | T | W | H | 粒度 |
| WS-0625A | 150 | 25 | – | 25.4 | #60* | |
| WS-0625B | 150 | 25 | 5 | 25.4 | #60* | |
| 14A1U | 適合鐵粉心之研磨,成型用 | |||||||
|---|---|---|---|---|---|---|---|---|
![]() |
編號 | D | U | T | E | W | H | 粒度 |
| WS-7063A | 175 | 6 | 10 | – | 3 | 31.75 | #200* | |
| WS-7073A | 175 | 7 | 10 | – | 3 | 31.75 | #200* | |
| WS-7083A | 175 | 8 | 10 | – | 3 | 31.75 | #200* | |
| WS-7093A | 175 | 9 | 10 | – | 3 | 31.75 | #200* | |
說明 :
- “*” 標準粒度,其餘粒度請指明訂購
有任何疑問? 聯絡宏崴














