Гальванические алмазные и CBN-шлифовальные круги
HonWay предлагает услуги по индивидуальному заказу,
способна изготовить наиболее подходящие для вас гальванические алмазные и CBN-шлифовальные круги.
Ниже представлены стандартные запасы гальванических шлифовальных кругов:
| 11C9 | Подходят для шлифовки и формовки вольфрамовых инструментов. | ||||||
|---|---|---|---|---|---|---|---|
![]() |
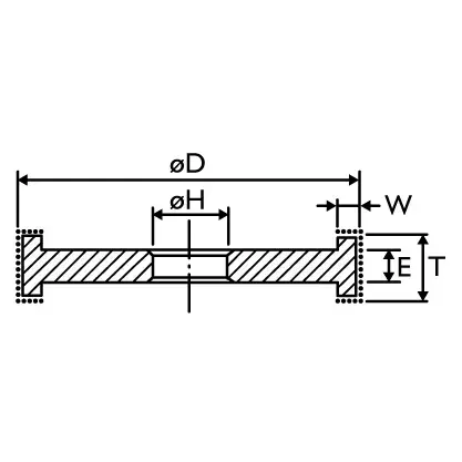
Артикул | D | T | W | H | U | Размер зерна |
| WC-1005A | 100 | 22 | 10 | 20 | 5 | #100* | |
| WC-1005B | 100 | 35 | 10 | 20 | 5 | #100* | |
| WC-1005C | 100 | 35 | 10 | 19.05 | 5 | #100* | |
| WC-1605A | 100 | 35 | 16 | 20 | 5 | #100* | |
| WC-2005A | 100 | 35 | 20 | 20 | 5 | #100* | |
| 1A1U | Подходят для шлифовки и формовки вольфрамовых инструментов. | |||||
|---|---|---|---|---|---|---|
![]() |
Артикул | D | T | W | H | Размер зерна |
| WS-6105A | 150 | 10 | 5 | 31.75 | #200* | |
| WS-6105B | 150 | 10 | 5 | 12.70 | #200* | |
| WS-6105C | 150 | 10 | 5 | 15.88 | #200* | |
| 14A1,14A1U | Подходит для шлифовки и придания формы драгоценным, полудрагоценным и поделочным камням. | |||||
|---|---|---|---|---|---|---|
![]() |
Артикул | D | T | W | H | Размер зерна |
| WS-0625A | 150 | 25 | — | 25.4 | #60* | |
| WS-0625B | 150 | 25 | 5 | 25.4 | #60* | |
Описание:
- «*» стандартный размер частиц, другие размеры частиц, пожалуйста, укажите при заказе
Есть вопросы? Связаться с нами













